| 05-50 | SRM 1.) Go to Structure repair manual (SRM ref 51-11-00) to make damage assessment if : dent , scratch, crack, ....etc 2.) Define the damage as length , wide , and depth and define it between two main structure reference( two stringers and two longerons for fuselage as an example ) or (two ribs and two spars for wing as an example ) 3.) SRM 51-00-00, you can find the Aircraft (Structures) Dimensions, Sections. 4.) As an example from SRM 53-21-00 you can find area which have the damage and from this section it can lead you to the needed area and it’s allowable and repair reference 5.) SRM 51-11-11, you can find Repair Category (A)(B)(C) and info about HFEC Deferal |
| 20-43-13-01 | DELETE |
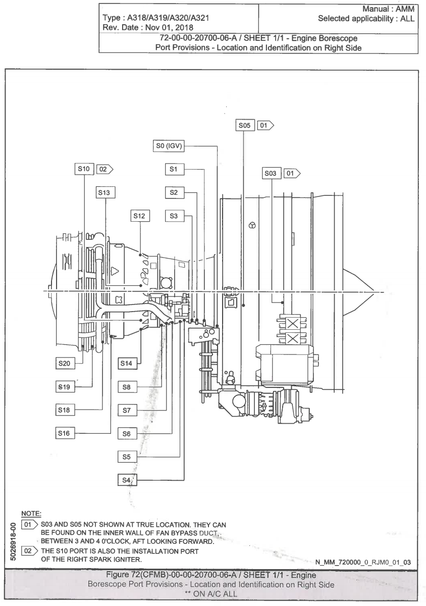
| 24-00 | DELETE |
| ESPM 20-43-13-01 | Crimping a pins for a Splices |
| ESPM 20-48-25-01 | Pin Crimping |
| ESPM 20-48-25-01 | Insertion/Extraction tools |
| TSM 24-00-00-810-818-A | System Reset Guidelines Reset may be performed if, Ecam alert was not triggered at previous flights report. For the affected computers listed in the reset table: Reset is authorized only for listed ECAM alerts or system malfunctions. TLB action example: System reset performed iaw TSM.
|
| Intercell transfer valve indcations | 28-15 Picture of Intercell transfer valve ECAM Indications described by FCOM.
*
System reset using FQIC C/B's (A13,M27,L26).
*
The valves can be forced open by resetting the opposite C/B valve.
*
The valves close when the fuel panel door is opened.
*
During flight, the valves open after sensors detect less fuel in the wing tank.
|
| TSM 28-42-00-810-813-A | Fuel Quantity Probe 30QT1(2), Left(Right) Wing Tank MCDU--FUEL-FQIS STATUS-INPUT PARAMETER VALUES
|
| 31-36 | Flight Data Interface and Management Unit (FDIMU) pass: SFIM LINE ENGI |
| 51-75-12 | Standard Procedures - REPAIR OF PAINT COATINGS |
| SRM 53-02-00-283-001 | Floor Panels ? limitation FC FH
|
| TSM 79-00-00-810-833-A | The Electrical Master Chip Detector Indication is popped out - Engine 1. (for Engine 2: TSM 79-00-00-810-834-A) Report: The Electrical Master Chip Detector indication is popped out - Engine 1(2) * Action: The Electrical Master Chip Detector (EMCD) checked for Particles iaw amm 79-00-00-281-002-A. No findings, the visual indicator reseted. NOTE: The inspection of the Electrical Master Chip Detector can be deferred to the next convenient maintenance opportunity (new o-ring need). * T/S: * Do a check of the Master Magnetic Chip Detector for particle Ref amm 79-00-00-281-002. * Reset the visual indicator Ref. amm 79-21-30-440-001. * No further maintenance action is required. * If the indicator pop-out detections are repetitive and particles are never found: * Inspect/check the electrical magnetic chip detector system Ref. AMM 79-00-00-200-001. * If the circuit breaker trips again continue T/S |


 REGUL FAULT.png)


 REGUL FAULT.png)

.bmp)

.png)
.png)
.png)










